Hello Team, after watching one of Akulas videos several times(Trance and Resonance) I think to understand a little bit better the principals of operation, and so I will share this observations here, hopefully adding up some useful information. Specially this circuit which is quite simple seems to be good to grasp the principle how it works, and also is cheap and quickly for built, in order to try to replicate.
Edit: viewing the valuable information about andrey melnichenkow that Chris has posted it becomes obvious that the credits for this discovering and buildings are corresponding to him ,and not to Akula, who evidently has merely copied Andrey's work.

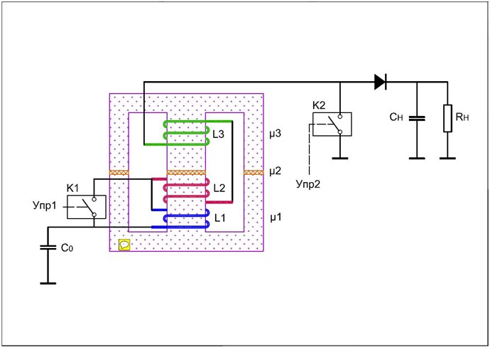
This is the schematic he is explaining on the video, I'll post the relevant details: the test points are highlighted in the colour of the scope traces.

He seems to point out that the CD4069 inverter is not needed, or not important for the basic operation, at least the shaded area, the inverter connected to the external FET forms a synchronous rectifier I would guess and could be probably replaced by a shottky rectifier if the CD4069 is not employed . The resonant oscillations are driven by the MC34063 chip, which is an analogue dc-dc converter driver. Here the internal circuit from the datasheet:

Now this reveals a very important aspect of the operation principle: note that the fundamental frequency of resonance is 269Hz (the low value indicates that the coils are bucking), but the switching frequency of the converter is set to a much higher value by the timing capacitor C on pin 3(for 300pF it is approximately 25uS Ton and 10uS Toff). The Inverting Comparator input on pin 5 will shut down the switching when a the threshold voltage on the output is reached. So when the output voltage downscaled by the resistor divider on pin 5 becomes greater than the 1.25V internal reference, the driver shuts down. With this technique it can be achieved by adjusting the variable resistor , that the switching occurs predominantly at the lower halfwave of the cycle(in the case of the boost converter, where the pulses at the yellow highlighted test point are negative), which will maintain the fundamental resonant oscillation with a minimal expense of energy.
Another detail that has called my attention are the copper sheets inside of the bobbin, which are found on some other devices of Akula as well. I don't think that this is a emf shielding, more likely it forms a capacitance or capacitor in conjunction with the second sheet at the inner end of the second winding. This will of course have no effect at the fundamental oscillation of the coils at 270Hz, but referring to the switching period of the driver with a 35uS period it will have a mayor effect, and might be used in this design to achieve a capacitive coupling of the second coil.


Note that in the following screenshot the schematic sheet which is below the circuit in the video has two modifications marked:

First a resistor in series with the output Led's -likely a impedance correction
Second the variable resistor for the shut down signal is changed to a diferent configuration - for a broader range of adjustment
I think that this particular circuit would be a good start point to experiment as the basic design is quite simple. And in my opinion first the coil set have to be tuned to the fundamental resonance frequency, which is the tricky part, then the adjustment of the driver pulses and load impedance should be easier.








































.jpg?width=690&upscale=false)













