You Will need:
- One Input Coil
- Two Output Coils
- Patience
- Support
You need to follow the basic plan laid out here:

NOTE: Partnered Output Coils can be wound either CW / CCW or CW / CW Flipped.
- CW is Clockwise.
- CCW is Counter Clockwise.
I prefer CW / CCW.
You will need to make sure your Output Coils have Opposing Magnetic Fields, thus Opposing Currents!
This is a Critical and Required Component!
The Operation to start with is as follows:
- Input Coil ( Green Coil ) brings up the Potential, then is switched Off.
- One Output Coil then Conducts Current ( Gold Coils ).
- The Second Output Coil then also conducts Current, a split second after the first, Equal and Opposite, to the First Output Coil ( Gold Coils ).
INPUT: Go for 2 Volts DC and around 320Hz or so, a Duty of around 10% or so. Slowly turn the Voltage up until you see things start to happen.
You will need to make sure the turns are greater on the Output Coils, per Coil by a factor of at least 1 : 3, so for every 1 turn on the Input Coil, you will need 3 Turns on the Output Coil and then that again for the Second Output Coil.
NOTE: Sometimes dropping a few turns on one Partnered Output Coil can be of benefit.
A small Gap between the Cored Partnered Output Coils to delay the Magnetic Field Mutual Coupling between the Coils. Circuitry can also be employed to delay Conduction on the second Partnered Output Coil.
Monitoring Currents in the Partnered Output Coils, you will see the Partnered Output Coils, like The Mr Preva Experiment, will Oppose, Magnetic Fields will Oppose! The Machine works because the Fields Buck, a Bucking Oscillator!
NOTE: When you have Bucking Output Coils, you will see a Sawtooth Waveform! Look for it, its the sign you need to see to know you're getting results.
Now, its up to you, arrangement, how you Construct it. I suggest Small Cheap and easy to work with!
On your Input Coil, perhaps use 12 turns 1mm wire or slightly larger. This means your Partnered Output Coils will be approximately 36 Turns each give or take.
NOTE: Don Smith suggested 1 : 4 Ratio.
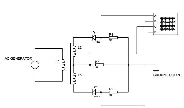
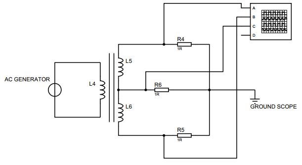
I have suggested a few Circuits already:

Of course, this is what I have found, and the Output Circuit is not limited to these Circuits specifically!
Look at the Independent Replications, for some inspiration:
Basic and up Front, No Bucking, then your machine does not work and you need to re-arrange your Machine.
This is an Asymmetrical Machine, all this I have covered here on my website. We have:
- Amplified Voltage. Turns Step up.
- Amplified Current. Bucking Magnetic Fields as in The Mr Preva Experiment.
For all we have covered, all of it, and if you've followed, then this task should be easy!
I Promise You, if you follow the rules, make your Machine do what I have said above and on my Websites, it will work. You will have an Above Unity Energy Machine! You have my word on it!
Chris
NOTE: I expect you are experienced enough to competently work with Electrical Energy! This device can be dangerous, High Voltage and Current can very easily be achieved! I am not responsible for harm to person, and or equipment! I give you this very simple Guide as is and without warranty or guarantee. I have given a promise, and if you follow the instructions, this will work as I have stated! Making Changes will result in Failure.
























